
產品分類
Cassification
更新時間:2023-01-12
瀏覽次數:1692冷熱沖擊箱不降溫, 冷媒泄露排查
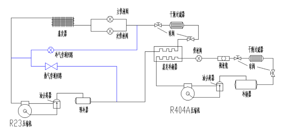
冷熱沖擊箱制冷系統一般采用 R404A、R23 兩種冷媒。R404A 設計成單級制冷系統,單獨使用;R23 須搭配 R404A 組成復疊式制冷系統。進行冷熱沖擊試驗時,為保持試驗箱性能的持續穩定,應避免頻繁啟動關閉壓縮機。


上海簡戶儀器設備有限公司是一家高科技合資企業,生產銷售鹽霧箱、恒溫恒濕機、冷熱沖擊機、振動試驗機、機械沖擊機、跌落試驗機的環境試驗儀器的公司,研發生產銷售經營各類可靠性環境試驗設備。經驗豐富,并得到許多國內外廠商的信賴與支持。
自公司成立以來,多次服務于國內外大學和研究所等檢測機構,如清華大學、蘇州大學、哈爾濱工業大學、北京工業大學、法國申美檢測、中科院物理所、中科院,SGS等**單位提供實施室方案和設備及其相關服務。努力開發半導體、光電、光通訊、航天太空、生物科技、食品、化工、制藥等行業產品所需的測試設備裝置。公司擁有一支的研發、生產和售後隊伍,從產品的研發到售后服務,每一個環節都以客戶的觀點與需求作為思考的出發點。
為適應市場快速變化及客戶多樣化的要求,上海簡戶儀器設備有限公司研發了性能與可靠性**JianHuTest產品系列.從精密零件到電腦資訊系統及有線無線通訊產業,均可提供高品質的設備與完善的售后服務。

上海簡戶榮獲企業,表明上海簡戶在技術、科技成果轉化、擁有自主知識產權等方面得到了國家的高度認可。簡戶一直秉承"服務以人為本"的宗旨,為廣大客戶提供精良的設備及優質的服務,提供的送貨上門、安裝調試、一年的設備保養、終身維修,技術指導服務。始終如一的以"努力、合作、飛躍"的精神自我完善、不斷發展、讓客戶與公司實現雙贏局面。
簡戶是集設計、銷售、研發、維修服務等為一體的綜合集團公司,從產品的研發到售后服務,每一個環節之間,都以客戶的觀點與需求作為思考的出發點,提供的環境設備。公司創始人從事儀器設備行業20余年,經驗豐富、資歷雄厚,帶領簡戶公司全體同仁攜手共建輝煌明天。公司成立以來,積極投入電子電工,航空,航天,生物科技,各大院校,及科研單位等行業所需的產品測試設備裝置。
簡戶擁有一支的研發、生產和售后服務隊伍,從產品的研發到售后服務,每一個環節都以客戶的觀點與需求作為思考的出發點,目前擁有博士學位2人,碩士5人,參與環境試驗箱國家標準起草和發行。企業制定標準,行業里通過ISO9001。是中國儀器儀表學會會員和理事單位。曾榮獲CCTV《中國儀器儀表20強品牌》殊榮,2010年入駐上海世博會民企館。簡戶自創辦以來,參與3項國家標準起草與制定,獲得40+件原創知識產權、軟著、集成電路),6次獲得上海科技型中小企業稱號,合作過3200+家合作客戶(其中世界500強高校600家)。
簡戶儀器今后必將牢記為客戶提供優質產品和服務的宗旨,不忘為行業貢獻前沿科學和技術的初心,再接再厲,砥礪前行!
【簡戶儀器簡介:成立2005年,是一家研發,生產,銷售及售后齊全的綜合性設備生產單位,多次評為科技型中小企業,并是國家高新技術企業,客戶遍布高分子,汽車,半導體,塑膠,五金,科研院校,第三方檢測等】
【公司總部




P
PRODUCTSN
NEWSA
ABOUT USC
CODE

聯系電話:18917106313

聯系郵箱:44658997@qq.com

公司地址:上海松江區新橋鎮泗磚南路255弄漕河涇開發區名企公館59棟2層至4層(廠址:上海金山區亭林工業園區亭誼路68號簡戶科技園近南亭公路)
Copyright © 2025 上海簡戶儀器設備有限公司【環境試驗箱|冷熱沖擊|高低溫試驗箱】版權所有 備案號:滬ICP備12004637號-3 技術支持:化工儀器網